可能會有人問什么是北陸貼片可調電阻,其實就是我們經常提到的日本品牌hdk可調電阻,北陸可調電阻是另外一種叫法。百斯特電子是專業供應北陸可調電阻,是金牌代理商。每個月的銷量在2000萬個以上,是北陸的長期合作伙伴。北陸貼片可調電阻的常用型號應該就是VG039了,可以替代松下3x3可調電阻,下面小編給大家具體介紹一下它的規格參數。
VG039NCHXT技術參數
標稱阻值:100Ωto 1 MΩ;
總標稱值偏差:±25%;
額定功率:0.15W ( 70°C );
使用電壓:少于 50V;
可焊性:240℃,5S;
殘留阻值:不能大于總阻值之 2%;
耐濕特性:60±5℃,90-95%,500H;
VG039NCHXT機械性能
旋轉力矩:0.98 mN.m to 7.84 mN.m;
全回轉角度:260° ± 20°;
VG039NCHXT耐久性能
回轉壽命:轉動20 回后,阻值變化在 ±15% 以內;
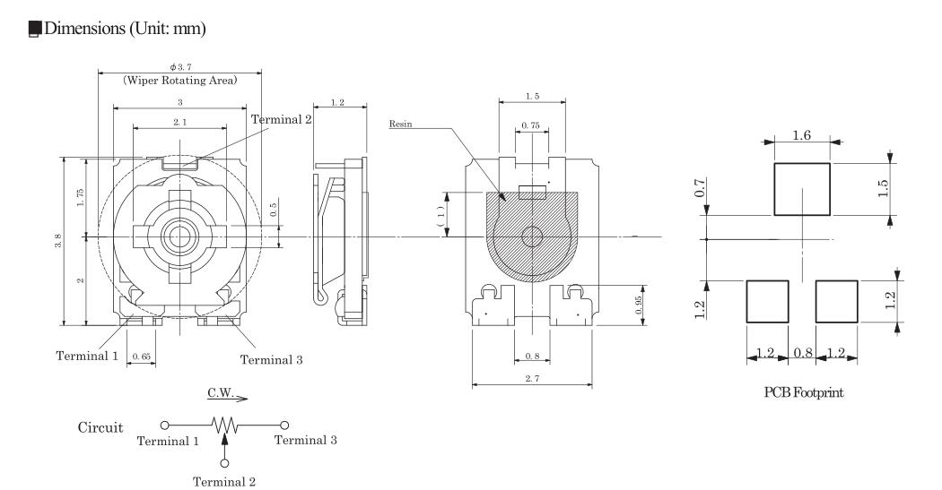
VG039NCHXT規格圖紙

以上就是VG039北陸貼片可調電阻的規格參數,廣泛應用于家用電器、醫療設備、儀表儀器、汽車產品等領域。其實,北陸可調電阻除了貼片系列還包括插件系列,規格參數也會有所不同,如果您需要進一步了解,可以撥打我們的服務熱線,咨詢一下我們的客服。百斯特電子作為深圳口碑比較好的北陸貼片可調電阻廠家代理商,我們不僅保障產品的質量,更讓您的售后無憂。
