ALPS輕觸開關SKSNLAE010是一款來自日本進口的產品,目前在國內市場當中的需求量是非常大的,因為進口的ALPS輕觸開關SKSNLAE010不管是在功能特性還是質量上都是要比普通的開關要略勝一籌。不過一般在ALPS輕觸開關SKSNLAE010的日常使用上,由于也會經常所出現一些隱患等故障問題的發生,從而后期所導致開關的元件損害而不能使用了,其實很多時候都是因我們一些操作不當,而所導致引發故障的狀況發生,建議大家多點了解關于alps輕觸開關質量的判斷指標及經常遇到的問題。下面就為大家介紹幾款常見的ALPS輕觸開關以及相關的使用注意事項吧!
ALPS輕觸開關在焊接當中,我們要注意一些細節,尤其是后置需要進行二次焊接時,要等一次按揭完成后,需要等待冷卻才能繼續進行二次焊接,否則會造成ALPS輕觸開關的部件變形或者脫落以及電特性降低,甚至會影響設備的正常使用。其次,在ALPS輕觸開關按鍵上不要讓一些重量雜物等東西擠壓開關,否則其按鍵內部容易造成損壞,導致開關出現一些使用不了的情況。拿放ALPS輕觸開關的時候,請注意輕拿輕放,因為其開關的體積過小,一旦不小心摔落在地上,也會容易會一些引腳被折斷或者損壞的狀況。
(1)ALPS輕觸開關SKSNLAE010
SKSN系列輕觸開關的基板表面安裝高度為1.35mm的中安裝式?廣泛應用于FP-TV HD音響/DVD播放器、個人音響、可穿戴型終端、手機及外圍設備;
SKSNLAE010規格圖紙:
產品編號:SKSNLAE010
型:Surface mount
動作力:2.4N
操作方向:Side push
行程:0.2mm
操作壽命:(5mA 5V DC)500,000 cycles
初期接觸電阻:500mΩ max.
系列:Sharp feeling type
使用溫度范圍:-40℃ to +90℃
較大額定:50mA 12V DC
較小額定:10μA 1V DC
電性能絕緣電阻:100MΩ min. 100V DC for 1min.
耐電壓:250V AC for 1 min.
耐久性能:
耐振性能:10 to 55 to 10Hz/分, 全振幅1.5mm X, Y, Z 3方向各2小時
耐環境性能:
耐寒性能:-40℃ for 96h
耐熱性能:90℃ for 96h
耐濕性能:60±2℃, 90 to 95%RH for 96h
較小訂貨單位(pcs.):
日本:2,500
出口:2,500
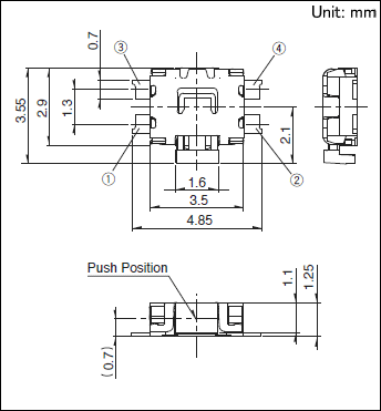
(2)ALPS輕觸開關SKSCLAE010
ALPS輕觸開關SKSCLAE010_規格圖紙:
SKSC系列同時實現高焊接強度和薄型(1.25mm), 小型化(3.5×3.55mm),廣泛應用于PC及外圍設備、手機及外圍設備、可穿戴型終端。
產品編號:SKSCLAE010
型:Surface mount
動作力:2.2N
操作方向:Side push
行程:0.2mm
操作壽命:(5mA 5V DC)100,000 cycles
初期接觸電阻:100mΩ max.
導向突起:無
系列:Sharp feeling type
使用溫度范圍:-30℃ to +85℃
較大額定:50mA 12V DC
較小額定:10μA 1V DC
電性能絕緣電阻:100MΩ min. 100V DC for 1min.
耐電壓:100V AC for 1 min.
耐久性能:
耐振性能:10 to 55 to 10Hz/分, 全振幅1.5mm X, Y, Z 3方向各2小時
耐環境性能:
耐寒性能:-30±2℃ for 96h
耐熱性能:80±2℃ for 96h
耐濕性能:60±2℃, 90 to 95%RH for 96h
較小訂貨單位(pcs.):
日本:5,000
出口:5,000
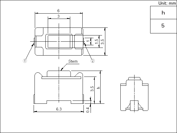
(3)ALPS輕觸開關SKQMBBE010
ALPS輕觸開關SKQMBBE010_規格圖紙:
SKQM系列輕觸開關屬于表面貼裝, 長腳(4.3mm, 5.0mm高度)型?廣泛應用于可穿戴型終端、導航系統、汽車音響設備;
產品編號:SKQMBBE010
型:Surface mount
動作力:1.57N
操作方向:Top push
行程:0.25mm
操作壽命:(5mA 5V DC)50,000 cycles
初期接觸電阻:500mΩ max.
按鈕顏色:Black
按鈕高度:h=5mm
系列:Sharp feeling type
使用溫度范圍:-30℃ to +85℃
較大額定:50mA 12V DC
較小額定:10μA 1V DC
電性能絕緣電阻:100MΩ min. 100V DC for 1min.
耐電壓:250V AC for 1 min.
耐久性能:
耐振性能:10 to 55 to 10Hz/分, 全振幅1.5mm X, Y, Z 3方向各2小時
耐環境性能:
耐寒性能:-30±2℃ for 96h
耐熱性能:80±2℃ for 96h
耐濕性能:60±2℃, 90 to 95%RH for 96h
較小訂貨單位(pcs.):
日本:2,000
出口:2,000
以上就是關于ALPS輕觸開關SKSNLAE010、ALPS輕觸開關SKSCLAE010以及ALPS輕觸開關SKQMBBE010的相關規格參數的介紹。此外,我們還有很多其它型號的產品,如果大家有興趣了解的更多的產品詳情,可以關注我們,如果有需要可以隨時電話聯系,歡迎大家前來選購我們的產品!建議大家在安裝ALPS輕觸開關SKSNLAE010的時候,不要用力去擠壓按鍵開關,以免造成磨損,降低它的使用壽命!其次要注意防水防止ALPS輕觸開關SKSNLAE010的線路內部發生漏電以及避開腐蝕性強的環境中使用,以免造成氧化生銹等情況。
